SA316S:无线音频收发模块 串口指令 48K采样率 低延迟高保真
SA316系列产品分为发射端模块SA316S-TX,SA316F30和接收端模块SA316-RX,该系列方案采用了无线高品质的语音传输芯片来设计,它可以支持外部 PCM / IIS 双模数字音频接口,同时模块为客户提供了标准化的串行接口,使用者可通过串口指令简单快捷地来设置模块的收发频率、声音大小和咪头增益等参数,在对音质要求比较高的场合广泛应用。
联系我们
产品规格书:SA316S高保真无线音频模块 V1.8.pdf
封装尺寸:SA316-TX SA316-RX package.rar
PC软件:SA_PRO_V3.5.zip

|
参数 |
测试条件 |
最小 |
典型 |
最大 |
单位 |
|
工作电压范围 |
@SA316S-TX,SA316S-RX |
2.8 |
3.3 |
3.6 |
V |
|
@SA316F30 |
3.0 |
4.0 |
5.0 |
||
|
工作温度范围 |
|
-20 |
25 |
60 |
℃ |
|
工作频率范围 |
@UHF |
500 |
|
540 |
MHz |
|
800 |
|
890 |
MHz |
||
|
890 |
|
980 |
MHz |
||
|
@VHF |
160 |
|
270 |
MHz |
|
|
音频发射接收延时 |
|
|
4 |
|
ms |
|
串口波特率 |
|
|
9600 |
|
bps |
|
电 流 消 耗 |
|||||
|
休眠电流(SA316-RX) |
|
|
<0.4 |
|
mA |
|
休眠电流 |
SA316S-TX |
|
5 |
10 |
uA |
|
SA316F30 |
|
<1.6 |
|
mA |
|
|
接收电流(SA316-RX) |
@VCC=3.3V |
|
< 115 |
|
mA |
|
发射电流(SA316S-TX) |
@发射时 |
|
< 100 |
|
mA |
|
@不发射时 |
|
<54 |
|
mA |
|
|
发射电流(SA316F30-TX) |
@发射时,@5v,30dBm |
|
< 700 |
|
mA |
|
@不发射时,5v |
|
<60 |
|
mA |
|
|
发 射 参 数 |
|||||
|
输出功率 |
@SA316S-TX,VCC=3.3V |
9 |
10 |
 11 |
dBm |
|
@SA316F30-TX,VCC=5.0V |
29 |
30 |
31 |
dBm |
|
|
发射带宽(BW) |
|
|
300 |
|
KHz |
|
邻道功率比(ACPR) |
@600KHZ |
|
-60 |
|
dBc |
|
麦克最大输入电压 |
|
|
0.1 |
1.0 |
Vrms |
|
音频频率响应范围 |
|
30 |
|
20k |
Hz |
|
接 收 参 数 |
|||||
|
接收灵敏度 |
|
|
-96 |
|
dBm |
|
音频输出幅度(差分) |
|
|
400 |
|
mVrms |
|
音频输出驱动电阻 |
|
|
600 |
|
Ohm |
|
信噪比(SNR) |
@1KHz |
|
86 |
|
dB |
|
总谐波失真(THD) |
@48K采样率 |
|
0.07 |
|
% |
产品特点
- UHF频段:500MHz/868 MHz/915MHz
- 可定制450~980 MHz
- VHF频段:160~270 MHz
- SA316F30-TX开阔地传输距离为1500米
- SA316S-TX开阔地传输距离为200米
- 接收灵敏度:-96 dBm
- 音频信噪比:86 dB
- 频率响应:30 Hz-20 KHz
- 从麦克风输入到音频输出延迟小于 3ms
- 数字调制方式:pi/4 DQPSK;
- 占用带宽:<300 KHz;
- 传输速率 204.8 Ksps
- 采样率:48 KHz
应用领域
- 有线音箱变无线音箱
- 无线话筒
- 无线耳机
- 高品质无线音频传输
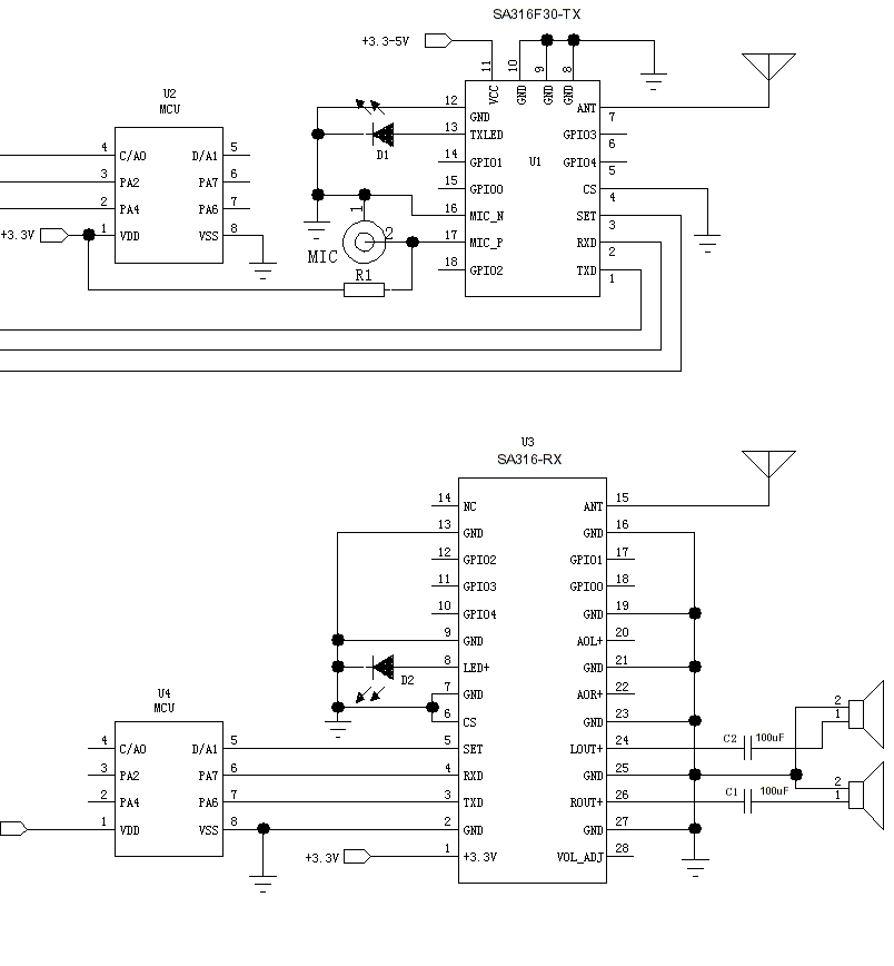
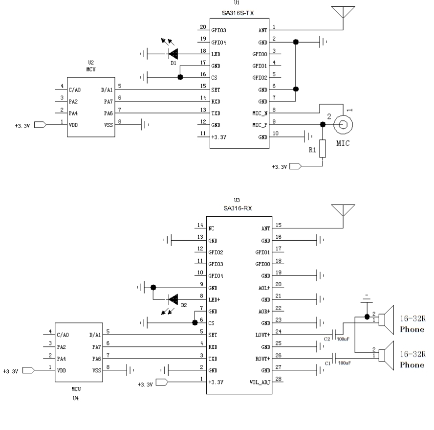
- 模拟输入模拟输出应用电路


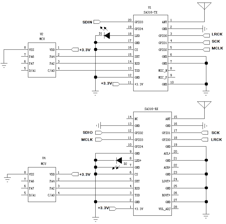
- IIS输入输出应用电路


SA316S-TX

| 脚位编号 | 引脚定义 | I/O | 电平标准 | 描述 |
| 1 | ANT | 0 | 射频信号输出,接50欧天线 | |
| 2、6、7、10、12、17 | GND | 0V | 接电源负极 | |
| 3 | GPIO0 | I/O | 0-3.3V | 内接音频芯片的GPIO0,用I2S模式时,可配置成LRCK |
| 4 | GPIO1 | I/O | 0-3.3V | 内接音频芯片的GPIO1,用I2S模式时,可配置成SCK |
| 5 | GPIO2 | I/O | 0-3.3V | 内接音频芯片的GPIO2,用I2S模式时,可配置成MCLK |
| 8 | MIC_N | I | 麦克风输入负端,接地 | |
| 9 | MIC_P | I | 麦克风输入正端,(信号小于300mVrms内最佳) | |
| 11 | VCC | +3.3V | 电源正输入(2.8V-3.6V,典型3.3V) | |
| 13 | TXD | O | 0-3.3V | 串口数据输出 |
| 14 | RXD | I | 0-3.3V | 串口数据输入 |
| 15 | SET | I | 0-3.3V | 功能暂时保留 |
| 16 | CS | I | 0-3.3V | 模块休眠脚(低电平工作,高电平休眠) |
| 18 | LED | O | 0-3.3V | 输出指示,发射信号时输出高,不发射信号时输出低 |
| 19 | GPIO4 | I/0 | 0-3.3V | 内接音频芯片的GPIO4 |
| 20 | GPIO3 | I/O | 0-3.3V | 内接音频芯片的GPIO3,用I2S模式时可配置成SDIN |
SA316F30

|
脚位编号 |
引脚定义 |
I/O |
电平标准 |
描 述 |
|
1 |
TXD |
O |
0-3.3V |
串口数据输出 |
|
2 |
RXD |
I |
0-3.3V |
串口数据输入 |
|
3 |
SET |
I |
0-3.3V |
功能暂时保留 |
|
4 |
CS |
I |
0-3.3V |
模块休眠脚(低电平工作,高电平休眠) |
|
5 |
GPIO4 |
I/0 |
0-3.3V |
内接音频芯片的GPIO4 |
|
6 |
GPIO3 |
I/O |
0-3.3V |
内接音频芯片的GPIO3,用I2S模式时可配置成SDIN |
|
7 |
ANT |
0 |
|
射频信号输出,接50欧天线 |
|
8.9,10,12 |
GND |
|
0V |
接电源负极 |
|
11 |
VCC |
|
+3.3-5.0V |
电源正输入(+3.3V-5.0V,典型4.2V) |
|
13 |
TXLED |
O |
0-3.3V |
输出指示,发射信号时输出高,不发射信号时输出低 |
|
14 |
GPIO2 |
I/O |
0-3.3V |
内接音频芯片的GPIO2,用I2S模式时,可配置成MCLK |
|
15 |
GPIO1 |
I/O |
0-3.3V |
内接音频芯片的GPIO1,用I2S模式时,可配置成SCK |
|
16 |
MIC_N |
I |
|
麦克风输入负端,可接地 |
|
17 |
MIC_P |
I |
|
麦克风输入正端,(信号小于200mVrms内最佳) |
|
18 |
GPIO0 |
I/O |
0-3.3V |
内接音频芯片的GPIO0,用I2S模式时,可配置成LRCK |
SA316-RX

|
脚位编号 |
引脚定义 |
I/O |
电平标准 |
描 述 |
|
1 |
VCC |
|
+3.3V |
电源正输入(2.8V-3.6V,典型3.3V) |
|
2,7,9,13,16, 19,21,23,25,27 |
GND |
|
0V |
接电源负极 |
|
3 |
TXD |
O |
0-3.3V |
串口数据输出 |
|
4 |
RXD |
I |
0-3.3V |
串口数据输入 |
|
5 |
SET |
I |
0-3.3V |
功能暂时保留 |
|
6 |
CS |
I |
0-3.3V |
模块休眠脚(低电平工作,高电平休眠) |
|
8 |
LED |
O |
0-3.3V |
输出指示,收到信号后输出高,无信号时变低 |
|
10 |
GPIO4 |
I/0 |
0-3.3V |
内接音频芯片的GPIO4 |
|
11 |
GPIO3 |
I/O |
0-3.3V |
内接音频芯片的GPIO3,用I2S模式时可配置成MCLK |
|
12 |
GPIO2 |
I/O |
0-3.3V |
内接音频芯片的GPIO2,用I2S模式时,可配置成SDIO |
|
15 |
ANT |
I |
|
射频信号输入,接50欧天线 |
|
17 |
GPIO1 |
I/O |
0-3.3V |
内接音频芯片的GPIO1,用I2S模式时,可配置成SCK |
|
18 |
GPIO0 |
I/O |
0-3.3V |
内接音频芯片的GPIO0,用I2S模式时,可配置成LRCK |
|
20 |
AOL+ |
O |
|
芯片音频输出负端(最高600mVrms) |
|
22 |
AOR+ |
0 |
|
芯片音频输出正端(最高600mVrms) |
|
24 |
LOUL LOUT+ |
O |
|
放大后的音频输出左声道输出,串连100UF电容后可直接驱动耳机 |
|
26 |
ROUT+ |
O |
|
放大后的音频输出右声道输出,串连100UF电容后可直接驱动耳机 |
|
28 |
VOL_ADJ |
I |
|
悬空 |
SA316S-TX

SA316-F30

SA316-RX

SA326:数字无线音频收发模块应用板 高采样率 低延迟
SA356-TX:5W 高保真 远距离 无线音频模块